other
Hogar

¿Cómo elegir sensores a prueba de explosiones compatibles para plantas químicas?

¿Cómo elegir sensores a prueba de explosiones compatibles para plantas químicas?

June 26, 2025

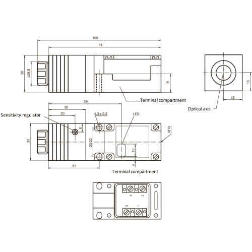
Parámetros básicos del producto PEPPERL+FUCHS 106541 OCT300-M1K-N2


Funciones básicas

Distancia de detección: 70~300 mm (ajustable)

Objetos aplicables: plano blanco de 200 mm × 200 mm

Fuente de luz: infrarroja, antiinterferencias

Rendimiento eléctrico

Fuente de alimentación: 6~20 V CC

Velocidad de respuesta: 5 ms

Señal de salida: 1 señal de conmutación (conmutable normalmente abierto/normalmente cerrado)

Adaptabilidad ambiental

Temperatura de trabajo: -25°C~70°C

Nivel de protección: contra interferencias de luz intensa (≤ 40000 Lux a la luz solar)

Fiabilidad

Vida útil: 20 años

Escenarios aplicables

Aplicable a la detección de automatización industrial, como posicionamiento de objetos, conteo de líneas de montaje, etc., se adapta a entornos hostiles (alta temperatura, luz intensa).

Dimensión


Parámetros de compatibilidad de equipos y escenarios de aplicación


Compatibilidad eléctrica

Debe utilizarse con equipos asociados intrínsecamente seguros.

Se recomienda una fuente de alimentación aislada para eliminar los riesgos de sobrecorriente transitoria.

Escenarios de aplicación (aplicables a escenarios peligrosos)

Entorno de explosión de polvo: (como molinos de harina, silos de carbón en polvo)

Entorno de explosión de gas: Zona 1 (como plantas químicas, áreas de tanques de petróleo)

Requisitos de instalación

Protección mecánica: Se deben evitar los choques mecánicos, especialmente en condiciones de baja temperatura, <-20 °C.

Aislamiento regional: Se debe garantizar el sellado físico entre diferentes áreas peligrosas durante la instalación

Dejar un mensaje

Dejar un mensaje
Si está interesado en nuestros productos y desea conocer más detalles, deje un mensaje aquí, le responderemos lo antes posible.
Entregar
Contáctenos:lizzie@swanautomation.com

Hogar

Productos

whatsapp

contacto